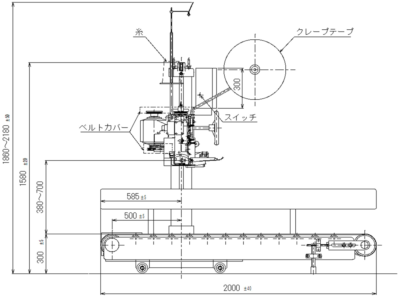
A2-B2L コンベアー付き自動式ミシン機

ミシン頭部:DS-6AC(手差用)、 DS-9C(手差用)

1時間に500~600袋を処理でき、操作も自動化され、取り扱いが非常に簡単です。機種も豊富に揃っており、包装条件により自由に選択できます。

A2-B コンベアー付きミシン機

ミシン頭部:DS-2-2、DS-C

クラッチモーターにてミシン頭部を駆動させます。

A1-PB コンベアー無し自動式ミシン機(海外向け)

ミシン頭部:DS-9C

コンベアーレスタイプです。既存のラインや自動包装機と組み合わせて使用します。自動袋口挿入装置追加可能。

A2-P2L コンベアー無し自動式ミシン機

ミシン頭部:DS-9C、DS-6AC

A2-B2Lのコンベアーレスタイプで、既存のラインや自動包装機と組み合わせて使用します。

オプション 1:印字装置

DP-6、ナンバーリング等接続により日付、ロット番号等印字ができます。

オプション 2: 挿入装置(CM4900-1)

CM4900-1はクラフト紙袋と PP/PE クロス袋兼用挿入装置(ミシン縫い専用)。 クレープテープは付けられません。クロス袋折り返し不可。 A1-PB型袋口縫いミシン機(DS-9型ミシン頭部付き)に装着可能。

オプション 3:挿入装置(CM4900-3)

CM4900-3型はクレープテープ縫い用トリマー装置付。 A1-PB型袋口縫いミシン機(DS-9型ミシン頭部付き)に装着可能。

オプション 4:挿入装置(CP4900)

CP4900型は PP/PEクロス袋用挿入装置。袋口折り装置付き。 袋口折りのため、袋上部に170〜200mmの空きスペースが必要です。 折り幅:30〜60mm。A1-PB型袋口縫いミシン機(DS-9型ミシン頭部付き)に装着可能。

カタログ一覧

カタログはこちら 製品に関するお問い合わせ